여러분은 가만히 계세요 제가 모두 고장낼게요

IT 지식, PC 모바일 문제 해결 그리고 종종 애니 게임 일상생활 근황을 종종 올리고 있어요!

냐.한국 자세히보기

임베디드/SlimeVR

SlimeVR 트래커 PCB 제작 11월 26일 (풋프린트 실수)

Kamilake 2021. 11. 26. 15:13
336x280(권장), 300x250(권장), 250x250, 200x200 크기의 광고 코드만 넣을 수 있습니다.

 

밥 먹는데 JLC에서 메일이  하나 왔습니다.

Sir or madam으로 시작하면 언제나 뭔가 실수했다는 메일이던데 아니나 다를까 패드 하나를 잘못 그린 모양입니다.

 

TP4056은 SOP8 SMD 패키지로 알고 있는데 회로도 풋프린트를 보러 가야겠습니다.

아무리 봐도 저는 SOP-8을 달았는데 자꾸 다르다고 하네요

해당 페이지의 EasyEDA 그림인데 확실히 뭔가 다르게 생기긴 했어요

JLC 쪽에선 위 그림처럼 해당 부품을 붙이지 않고 조립하겠냐고 물어보고 있길래 일단 취소하겠다고 답했습니다.

 

 

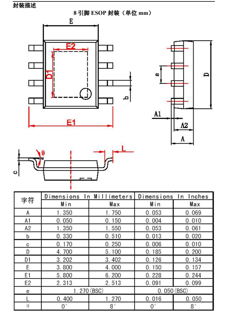
데이터 시트에 굉장히 친 절하게 부품의 모양과 치수가 그려져 있기에 저는 이를 토대로 패드의 크기를 계산해 이름과 관계없이 비슷한 패드를 넣어보려고 합니다.

D가 4.7~5.1mm,  E가 3.8~4mm 정도 되어 보입니다.

KiCad 풋프린트 중 HSOP8-EP(Thermal Via 버전)이 얼추 맞아 보입니다.

E1 E2도 맞고 핀번호도 맞는 걸 보니 ESOP != SOP // ESOP == HSOP으로 해석해야겠네요

풋프린트 파트를 바꾸고 새로 저장하도록 하겠습니다.

조립하면서 뒷면 방열 대책도 다시 세워줬습니다.

사실 데이터 시트상에는 서멀 라디에이터를 어디에 연결하라는 말이 딱히 있는 건 아니고 그저 9번 핀이라는 내용만 담고 있습니다.

설명 없는 모든 핀은 일반적으로 대부분 그라운드에 연결해도 됩니다. 

그리고 많은 사람들이 진행하던 대로 GND에 연결해서 더 넓은 면적으로 열을 발산할 수 있도록 수정하겠습니다.

앵 다 만들고 보니까 실크스크린 글자가 저 멀리 사라졌네요..?

KiCad는 똑똑하기 때문에 기존 회로에서 서로 여러 가지 풋프린트들을 붙여넣기 할 수 있습니다.

다음과 같은 데이터가 클립보드에 올라가게 됩니다.

더보기

(kicad_pcb (version 20171130) (host pcbnew "(5.1.12)-1")

(layers
  (0 F.Cu signal)
  (31 B.Cu signal)
  (32 B.Adhes user)
  (33 F.Adhes user)
  (34 B.Paste user)
  (35 F.Paste user)
  (36 B.SilkS user)
  (37 F.SilkS user)
  (38 B.Mask user)
  (39 F.Mask user)
  (40 Dwgs.User user)
  (41 Cmts.User user)
  (42 Eco1.User user)
  (43 Eco2.User user)
  (44 Edge.Cuts user)
  (45 Margin user)
  (46 B.CrtYd user)
  (47 F.CrtYd user)
  (48 B.Fab user)
  (49 F.Fab user)
)

(net 0 "")
(net 1 GND)
(net 2 "Net-(D1-Pad1)")
(net 3 "Net-(D1-Pad2)")
(net 4 "Net-(D2-Pad1)")
(net 5 "Net-(R2-Pad2)")
(net 6 "Net-(U2-Pad9)")
(net 7 "Net-(U3-Pad6)")
(net 8 "Net-(U3-Pad7)")
(net 9 "Net-(U3-Pad12)")
(net 10 "Net-(U4-Pad1)")
(net 11 "Net-(U4-Pad3)")
(net 12 "Net-(U4-Pad4)")
(net 13 "Net-(U5-Pad1)")
(net 14 "Net-(BT1-Pad2)")
(net 15 "Net-(C1-Pad1)")
(net 16 "Net-(D2-Pad2)")
(net 17 "Net-(R4-Pad1)")
(net 18 "Net-(R7-Pad1)")
(net 19 "Net-(U6-Pad4)")
(net 20 "Net-(U6-Pad5)")
(net 21 "Net-(U6-Pad7)")
(net 22 "Net-(U6-Pad9)")
(net 23 "Net-(U6-Pad10)")
(net 24 "Net-(U6-Pad11)")
(net 25 "Net-(U6-Pad12)")
(net 26 "Net-(U6-Pad13)")
(net 27 "Net-(U6-Pad14)")
(net 28 +3V3)
(net 29 "Net-(R8-Pad2)")
(net 30 "Net-(SW3-Pad1)")
(net 31 "Net-(SW3-Pad3)")
(net 32 BATT+)
(net 33 "Net-(R9-Pad2)")
(net 34 "Net-(R10-Pad2)")
(net 35 "Net-(R11-Pad2)")
(net 36 "Net-(R12-Pad2)")
(net 37 "Net-(R13-Pad2)")
(net 38 "Net-(R15-Pad1)")
(net 39 "Net-(R16-Pad1)")
(net 40 "Net-(C7-Pad1)")
(net 41 "Net-(C8-Pad1)")
(net 42 UART_ESP+)
(net 43 UART_ESP-)
(net 44 "Net-(R17-Pad2)")
(net 45 "Net-(C3-Pad1)")
(net 46 "Net-(J1-Pad6)")
(net 47 "Net-(J1-Pad4)")
(net 48 "Net-(J1-Pad3)")
(net 49 "Net-(J1-Pad2)")
(net 50 "Net-(U7-Pad15)")
(net 51 "Net-(U7-Pad14)")
(net 52 "Net-(U7-Pad13)")
(net 53 "Net-(U7-Pad12)")
(net 54 "Net-(U7-Pad11)")
(net 55 "Net-(U7-Pad10)")
(net 56 "Net-(U7-Pad9)")
(net 57 "Net-(U7-Pad8)")
(net 58 "Net-(U7-Pad7)")

(net_class Default "This is the default net class."
  (clearance 0.2)
  (trace_width 0.25)
  (via_dia 0.8)
  (via_drill 0.4)
  (uvia_dia 0.3)
  (uvia_drill 0.1)
  (add_net +3V3)
  (add_net BATT+)
  (add_net GND)
  (add_net "Net-(BT1-Pad2)")
  (add_net "Net-(C1-Pad1)")
  (add_net "Net-(C3-Pad1)")
  (add_net "Net-(C7-Pad1)")
  (add_net "Net-(C8-Pad1)")
  (add_net "Net-(D1-Pad1)")
  (add_net "Net-(D1-Pad2)")
  (add_net "Net-(D2-Pad1)")
  (add_net "Net-(D2-Pad2)")
  (add_net "Net-(J1-Pad2)")
  (add_net "Net-(J1-Pad3)")
  (add_net "Net-(J1-Pad4)")
  (add_net "Net-(J1-Pad6)")
  (add_net "Net-(R10-Pad2)")
  (add_net "Net-(R11-Pad2)")
  (add_net "Net-(R12-Pad2)")
  (add_net "Net-(R13-Pad2)")
  (add_net "Net-(R15-Pad1)")
  (add_net "Net-(R16-Pad1)")
  (add_net "Net-(R17-Pad2)")
  (add_net "Net-(R2-Pad2)")
  (add_net "Net-(R4-Pad1)")
  (add_net "Net-(R7-Pad1)")
  (add_net "Net-(R8-Pad2)")
  (add_net "Net-(R9-Pad2)")
  (add_net "Net-(SW3-Pad1)")
  (add_net "Net-(SW3-Pad3)")
  (add_net "Net-(U2-Pad9)")
  (add_net "Net-(U3-Pad12)")
  (add_net "Net-(U3-Pad6)")
  (add_net "Net-(U3-Pad7)")
  (add_net "Net-(U4-Pad1)")
  (add_net "Net-(U4-Pad3)")
  (add_net "Net-(U4-Pad4)")
  (add_net "Net-(U5-Pad1)")
  (add_net "Net-(U6-Pad10)")
  (add_net "Net-(U6-Pad11)")
  (add_net "Net-(U6-Pad12)")
  (add_net "Net-(U6-Pad13)")
  (add_net "Net-(U6-Pad14)")
  (add_net "Net-(U6-Pad4)")
  (add_net "Net-(U6-Pad5)")
  (add_net "Net-(U6-Pad7)")
  (add_net "Net-(U6-Pad9)")
  (add_net "Net-(U7-Pad10)")
  (add_net "Net-(U7-Pad11)")
  (add_net "Net-(U7-Pad12)")
  (add_net "Net-(U7-Pad13)")
  (add_net "Net-(U7-Pad14)")
  (add_net "Net-(U7-Pad15)")
  (add_net "Net-(U7-Pad7)")
  (add_net "Net-(U7-Pad8)")
  (add_net "Net-(U7-Pad9)")
  (add_net UART_ESP+)
  (add_net UART_ESP-)
)


  (gr_text "Kamilake_ & YoungJu10000                   \n2021-11-22 ver 0.1                  \nESP8266 Full Body Tracker using SlimeVR" (at -0.762 0) (layer F.SilkS) (tstamp 61A0782A)
    (effects (font (size 1 1) (thickness 0.15)))
  )

)

고로롱~

모든 실크프린트를 제 위치에 돌려두고 조립을 무사히 마쳤습니다.

이제 Gerber/Pos 파일을 새로 만들어 JLCPCB에게 제출하면 됩니다.

추가되거나 제거된 부품이 없기 때문에 BOM은 수정하지 않을 것입니다.

그럼.. 택배가 도착할 때 까지는 놀도록 하죠!